Upload Archief |
| Hoofdpagina | Inloggen | Forum | Help |
| URL | |
| UBB | |
| HTML |
| overige bestanden - bestand(en) | |||||
|---|---|---|---|---|---|
| bestand | dl's | grootte | datum | gebruiker | |
|
seriele stappenmotor besturing met profilab.jpg | 175 | 340kB | 10-01-2021 14:44:43 | Lambiek |
| omschrijving: STAPPENMOTOR BESTURING PROFILAB |
|||||
|
denki stappenmotor.jpg | 172 | 40kB | 10-01-2021 14:43:30 | Lambiek |
| omschrijving: DENKI STAPPENMOTOR |
|||||
|
stappenmotor friver.jpg | 121 | 122kB | 10-01-2021 14:39:56 | Lambiek |
| omschrijving: AANSLUITING REGELAAR |
|||||
|
print stappemotorregelaar.jpg | 128 | 185kB | 10-01-2021 14:39:09 | Lambiek |
| omschrijving: PRINT STAPPENMOTOR REGELAAR |
|||||
|
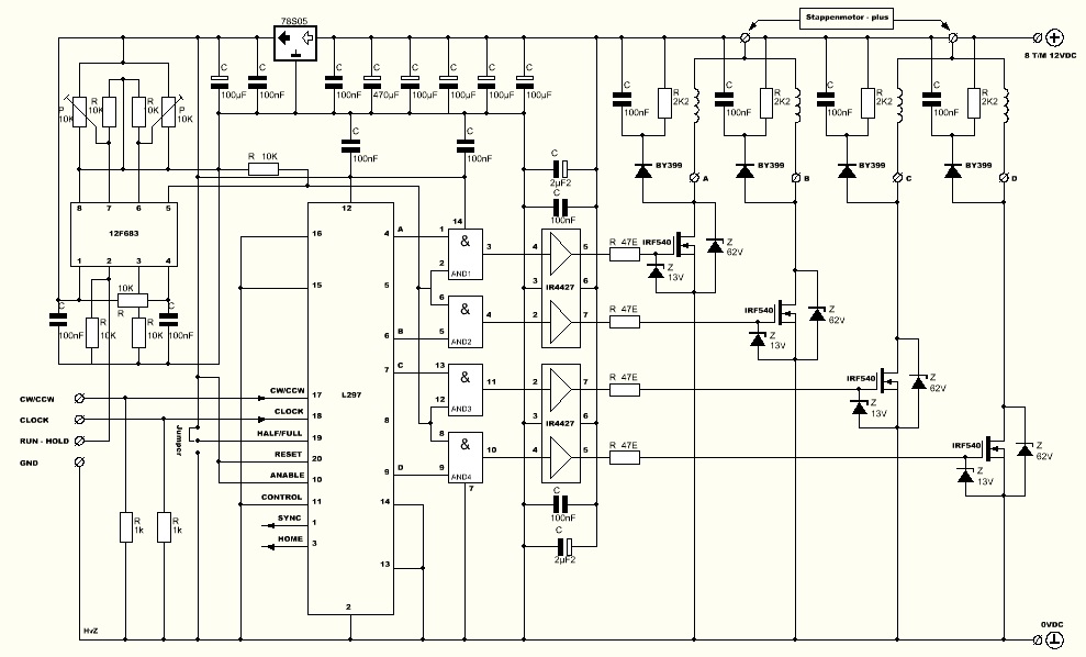
schema stappenmotorregelaar.jpg | 123 | 125kB | 10-01-2021 14:38:26 | Lambiek |
| omschrijving: SCHEMA STAPPENMOTOR REGELAAR |
|||||
|
print controller.jpg | 112 | 219kB | 10-01-2021 14:37:08 | Lambiek |
| omschrijving: PRINT CONTROLLER |
|||||
|
print rs232 interface.jpg | 102 | 67kB | 10-01-2021 14:36:27 | Lambiek |
| omschrijving: PRINT INTERFACE |
|||||
|
usb naar rs232 converter.jpg | 108 | 19kB | 10-01-2021 14:30:11 | Lambiek |
| omschrijving: USB CONVERTER |
|||||
|
tekening aardingsmeting.png | 2661 | 51kB | 23-11-2020 16:06:52 | pamwikkeling |
|
aardingsmeterxx schema.jpg | 3226 | 80kB | 22-11-2020 22:28:04 | pamwikkeling |
|
25
ms
v1.5.4
© MM 2002 - 2026
|
|

