Upload Archief |
| Hoofdpagina | Inloggen | Forum | Help |
| URL | |
| UBB | |
| HTML |
| overige afbeeldingen - bestand(en) | |||||
|---|---|---|---|---|---|
| bestand | dl's | grootte | datum | gebruiker | |
|
64.gif | 301 | 28kB | 22-02-2005 00:52:21 | anghies |
| omschrijving: diddl clown |
|||||
|
alphabet2.jpg | 319 | 371kB | 19-02-2005 14:33:34 | Benadski |
| omschrijving: font voor display |
|||||
|
PCB_SO_DIP.jpg | 623 | 30kB | 14-02-2005 15:14:38 | Benadski |
| omschrijving: PCB SO->DIP converter |
|||||
|
draairichting.jpg | 586 | 20kB | 14-02-2005 14:11:47 | comsec |
| omschrijving: klopt dit? |
|||||
|
Kopie van tx500u.jpg | 484 | 20kB | 11-02-2005 20:57:02 | hugo welther |
| omschrijving: tx500 |
|||||
|
007link copy.jpg | 428 | 203kB | 08-02-2005 22:49:36 | Joerideman |
| omschrijving: link aangepast |
|||||
|
tube.jpg | 1124 | 8kB | 07-02-2005 20:01:52 | nightwalker |
|
ssjrage4sig(1).gif | 263 | 27kB | 06-02-2005 15:52:58 | Rage |
|
pc-microfoontje.JPG | 436 | 7kB | 03-02-2005 20:34:30 | wieltje |
|
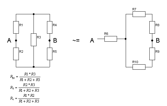
sterdriehoek.GIF | 728 | 4kB | 26-01-2005 14:35:43 | Aedolon |
| omschrijving: ster-driehoek transform |
|||||
|
100
ms
v1.5.4
© MM 2002 - 2026
|
|

