Upload Archief |
| Hoofdpagina | Inloggen | Forum | Help |
| URL | |
| UBB | |
| HTML |
| overige afbeeldingen - bestand(en) | |||||
|---|---|---|---|---|---|
| bestand | dl's | grootte | datum | gebruiker | |
|
servo aansturing.JPG | 1823 | 18kB | 12-09-2006 19:40:37 | bjorn85 |
| omschrijving: servo aansturing multiplexen |
|||||
|
simulatie filter.GIF | 545 | 9kB | 12-09-2006 16:37:12 | LuckyBasterd |
| omschrijving: simulatie |
|||||
|
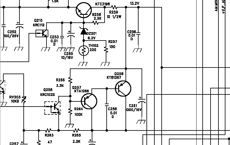
kbt1367.JPG | 2767 | 88kB | 10-09-2006 15:48:05 | packet |
| omschrijving: Schakel tor |
|||||
|
karakteristiek transistor.JPG | 6110 | 42kB | 08-09-2006 17:37:42 | mikevt4 |
| omschrijving: karakteristiek transistor |
|||||
|
em4005.gif | 1742 | 13kB | 07-09-2006 22:04:00 | JoWi |
| omschrijving: EM4005 tag principe |
|||||
|
kleurtjes.JPG | 1612 | 453kB | 07-09-2006 21:40:46 | free_elec2 |
|
1233pulsgever.JPG | 3821 | 32kB | 07-09-2006 11:26:33 | dj.henk |
| omschrijving: Stekker aansluiting pulsgever |
|||||
|
printje.JPG | 771 | 15kB | 03-09-2006 13:06:02 | oostelbeers online |
|
voeding1.JPG | 834 | 20kB | 03-09-2006 13:04:13 | oostelbeers online |
|
vaandeltje.jpg | 1445 | 498kB | 01-09-2006 21:33:59 | maarten vandersteegen |
|
142
ms
v1.5.4
© MM 2002 - 2026
|
|

