Upload Archief |
| Hoofdpagina | Inloggen | Forum | Help |
| URL | |
| UBB | |
| HTML |
| overige afbeeldingen - bestand(en) | |||||
|---|---|---|---|---|---|
| bestand | dl's | grootte | datum | gebruiker | |
|
dsc00095(2).jpg | 248 | 29kB | 29-07-2008 16:28:12 | k-e-v-i-n |
|
dsc00095.jpg | 190 | 80kB | 29-07-2008 16:19:59 | k-e-v-i-n |
|
eee wmr menu a3riel.png | 371 | 127kB | 28-07-2008 23:11:41 | Andreesie |
|
eee wmr firefox3 a4riel.png | 359 | 93kB | 28-07-2008 23:11:19 | Andreesie |
|
eee luna spamt.png | 319 | 96kB | 28-07-2008 23:10:59 | Andreesie |
|
eee desktop a3riel.png | 368 | 186kB | 28-07-2008 23:10:26 | Andreesie |
|
eee arya en andreesie zlefde tijd.png | 324 | 68kB | 28-07-2008 23:09:55 | Andreesie |
|
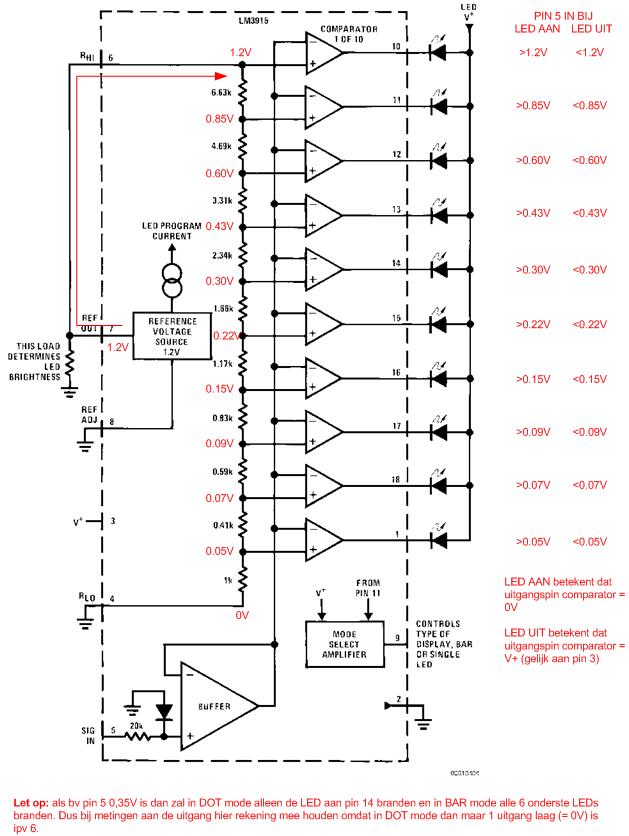
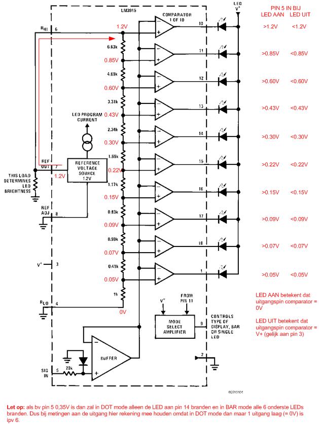
lm3915_workings.jpg | 2600 | 74kB | 28-07-2008 17:57:20 | Eagle666 |
| omschrijving: LM3915 DOT/BAR display driver Internal workings |
|||||
|
basis_voedingscircuit.jpg | 1117 | 34kB | 28-07-2008 02:27:54 | Eagle666 |
| omschrijving: Basis voedingsschakeling (theorie) |
|||||
|
jannick in trein.png | 340 | 155kB | 26-07-2008 21:33:19 | Andreesie |
|
121
ms
v1.5.4
© MM 2002 - 2026
|
|

