Upload Archief |
| Hoofdpagina | Inloggen | Forum | Help |
| URL | |
| UBB | |
| HTML |
| overige afbeeldingen - bestand(en) | |||||
|---|---|---|---|---|---|
| bestand | dl's | grootte | datum | gebruiker | |
|
tau-raaklijn_20110321fet.png | 6737 | 6kB | 21-03-2011 13:25:18 | Frederick E. Terman |
|
skull.jpg | 280 | 208kB | 20-03-2011 19:56:26 | w12101 |
|
fs_uitgekleed-graph.png | 2370 | 7kB | 20-03-2011 17:31:37 | pientertje |
|
bandias.jpg | 219 | 69kB | 20-03-2011 10:30:17 | w12101 |
|
mobielverklikker.jpg | 2657 | 15kB | 18-03-2011 23:19:38 | ronw |
| omschrijving: Lus antenne voor 2.5 GHz |
|||||
|
sniffer.jpg | 2570 | 32kB | 18-03-2011 23:17:24 | ronw |
| omschrijving: Elektuur WIFI-sniffer |
|||||
|
7803077.png | 2825 | 13kB | 18-03-2011 11:36:38 | Frederick E. Terman |
|
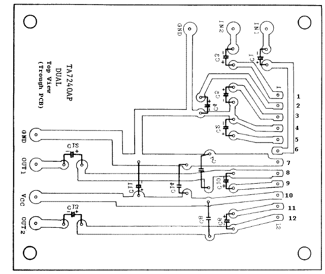
ta7240ap.gif | 1385 | 19kB | 18-03-2011 09:27:19 | Dennis_ |
| omschrijving: pcb layout uit datasheet van TA7240AP |
|||||
|
ka2211 layout.gif | 614 | 19kB | 18-03-2011 09:26:10 | Dennis_ |
| omschrijving: nieuwe en aangepaste lay-out voor KA2211/TA7240AP |
|||||
|
wiskund_hw4_opdr3.png | 12376 | 260kB | 17-03-2011 23:09:08 | 1990 |
| omschrijving: wiskunde |
|||||
|
199
ms
v1.5.4
© MM 2002 - 2026
|
|

