| Upload Archief | 
| Hoofdpagina | Inloggen | Forum | Help | 
| URL | |
| UBB | |
| HTML | 
| datasheets - bestand(en) | |||||
|---|---|---|---|---|---|
| bestand | dl's | grootte | datum | gebruiker | |
|   | 3n201.jpg | 3899 | 20kB | 26-10-2008 15:33:42 | arco2 | 
| omschrijving: 3n201 | |||||
|   | alps 742t-10kbx2.pdf | 1774 | 159kB | 06-10-2008 03:49:00 | oxurane | 
| omschrijving: Datasheet van een ALPS potmeter met 8 aansluitpinnen | |||||
|   | lt3476.pdf | 2185 | 208kB | 05-10-2008 16:23:23 | Tidak Ada | 
| omschrijving: Datasheet Linear Technology LT3476 QUAD LED driver | |||||
|   | 1976 blad 2.jpg | 902 | 183kB | 27-09-2008 23:19:06 | Joeri de Man | 
| omschrijving: deel 2 | |||||
|   | 1976 blad 1.jpg | 1196 | 222kB | 27-09-2008 23:12:12 | Joeri de Man | 
| omschrijving: SKT45 02 | |||||
|   | sc50-11ewa.pdf | 740 | 153kB | 20-09-2008 13:45:12 | Allround | 
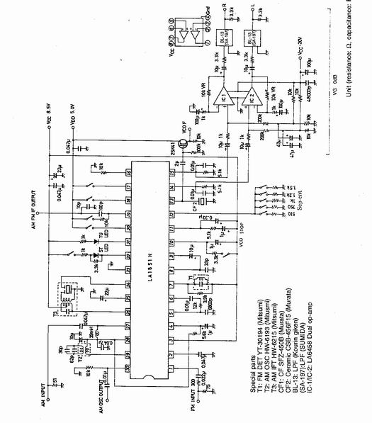
|   | datasheet.jpg | 3743 | 50kB | 16-09-2008 19:26:04 | harrie | 
| omschrijving: MPX tuner Sony | |||||
|   | 4047.jpg | 707 | 24kB | 13-09-2008 19:29:23 | arco2 | 
| omschrijving: 4047 package | |||||
|   | krachtmagneet.jpg | 839 | 61kB | 10-09-2008 10:17:54 | JBMZ | 
| omschrijving: KrachtMagneet | |||||
|   | formules3.jpg | 16511 | 100kB | 20-08-2008 19:44:00 | arco2 | 
| 33
msv1.5.4
                  © MM 2002 - 2025 | 
|       | 
