Upload Archief |
| Hoofdpagina | Inloggen | Forum | Help |
| URL | |
| UBB | |
| HTML |
| schema's - bestand(en) | |||||
|---|---|---|---|---|---|
| bestand | dl's | grootte | datum | gebruiker | |
|
Spanningsdeler.gif | 637 | 2kB | 22-08-2003 16:14:50 | ThomasD |
| omschrijving: Een spanningsdeler voor audio. |
|||||
|
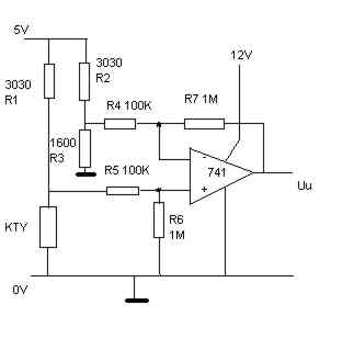
versterker.jpg | 1012 | 7kB | 16-08-2003 12:01:28 | Sp3ci3S |
| omschrijving: temperatuur naar 0 - 5V signaal |
|||||
|
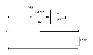
LM317 currentsource.GIF | 1353 | 1kB | 10-08-2003 20:34:57 | hugo welther |
| omschrijving: LM317 als stroombron |
|||||
|
PWM_CC.gif | 974 | 5kB | 10-08-2003 18:07:24 | Benadski |
| omschrijving: PWM gestuurde 100mA stroombron voor bijvoorbeeld LEDs, schema nog niet getest! |
|||||
|
regelbaar.jpg | 768 | 6kB | 09-08-2003 16:05:12 | Rob W. |
|
pathmarker.JPG | 1087 | 10kB | 07-08-2003 15:11:24 | elektron_ |
|
pathmaker2.JPG | 1122 | 8kB | 07-08-2003 00:42:05 | elektron_ |
|
H-BRUG.JPG | 1063 | 29kB | 03-08-2003 13:47:09 | Atlantis |
| omschrijving: voorbeeld motorsturing met een H brug voor RC |
|||||
|
trafo.GIF | 555 | 1kB | 29-07-2003 22:42:13 | hugo welther |
| omschrijving: Parallel-serie schakeling trafo |
|||||
|
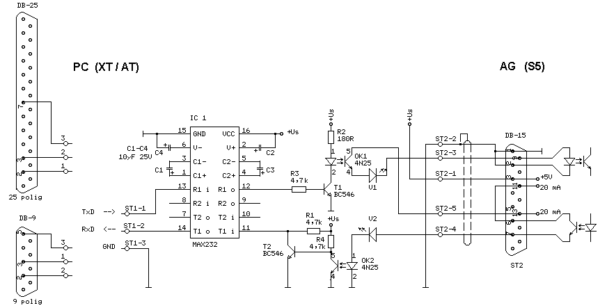
eplan.gif | 910 | 10kB | 27-07-2003 09:22:31 | bdgbdg |
| omschrijving: Converter van TTY (20mA) <=> RS232 interessant om PLC siemens aan pc te linken of andere 20mA Current Loop toestellen BdG |
|||||
|
151
ms
v1.5.4
© MM 2002 - 2026
|
|

