Upload Archief |
| Hoofdpagina | Inloggen | Forum | Help |
| URL | |
| UBB | |
| HTML |
| schema's - bestand(en) | |||||
|---|---|---|---|---|---|
| bestand | dl's | grootte | datum | gebruiker | |
|
motortje.GIF | 655 | 3kB | 16-02-2004 18:48:30 | rodemm |
| omschrijving: schema |
|||||
|
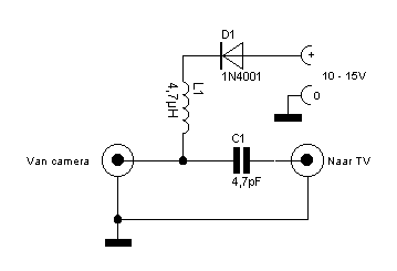
HF fantoom aansluiting.GIF | 934 | 2kB | 14-02-2004 23:03:05 | hugo welther |
| omschrijving: HF fantoom aansluiting voor camera |
|||||
|
voeding 2A stroombegr.jpg | 1191 | 45kB | 11-02-2004 21:29:48 | hugo welther |
| omschrijving: Stroombegrenzing voeding HOBBIT 1983 |
|||||
|
voeding 2A onderdelen.jpg | 1039 | 49kB | 11-02-2004 21:29:13 | hugo welther |
| omschrijving: Onderdelenlijst voeding HOBBIT 1983 |
|||||
|
voeding 2A.jpg | 588 | 53kB | 11-02-2004 21:28:44 | hugo welther |
| omschrijving: 30V 2A voeding uit HOBBIT 1983 |
|||||
|
uitleg coordinaat.pdf | 686 | 36kB | 11-02-2004 19:48:40 | Bert F |
|
coordinatie1.pdf | 567 | 65kB | 11-02-2004 17:58:11 | Bert F |
|
coordinatie.pdf | 493 | 88kB | 11-02-2004 17:36:53 | Bert F |
|
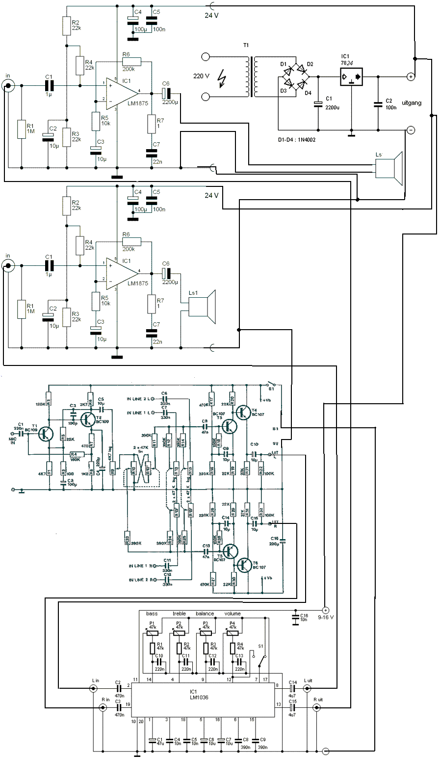
totaal schema.gif | 382 | 68kB | 07-02-2004 10:54:53 | electronicadumie |
| omschrijving: schema van versterker |
|||||
|
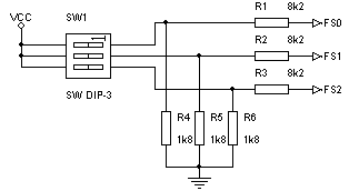
FSB.gif | 2071 | 2kB | 06-02-2004 14:29:06 | Benadski |
| omschrijving: FSB mod schema voor dipswitches Siemens bak. |
|||||
|
149
ms
v1.5.4
© MM 2002 - 2026
|
|

