Upload Archief |
| Hoofdpagina | Inloggen | Forum | Help |
| URL | |
| UBB | |
| HTML |
| schema's - bestand(en) | |||||
|---|---|---|---|---|---|
| bestand | dl's | grootte | datum | gebruiker | |
|
nieuwschema-new.png | 439 | 1kB | 09-03-2004 07:44:19 | Geforce |
|
Beeper.GIF | 832 | 6kB | 08-03-2004 19:58:16 | The Force |
|
Foto's.zip | 130 | 127kB | 08-03-2004 16:02:29 | Geforce |
| omschrijving: Voorbeelden digitale camera |
|||||
|
Knippervoorlamp.txt | 982 | 4kB | 07-03-2004 21:07:46 | Geforce |
| omschrijving: Documentatie knipperlciht |
|||||
|
Blokschema.png | 390 | 2kB | 07-03-2004 21:01:29 | Geforce |
| omschrijving: Blokschema knipperlicht |
|||||
|
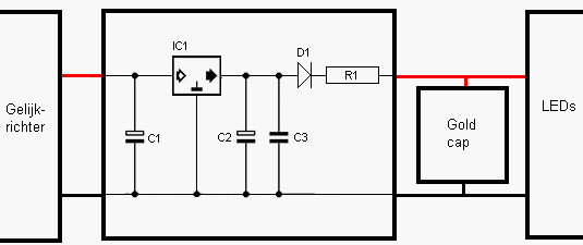
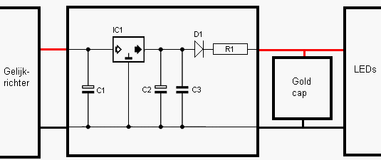
Spanningsregelaar.png | 415 | 4kB | 07-03-2004 21:00:30 | Geforce |
| omschrijving: Spanningsregelaar knipperlicht |
|||||
|
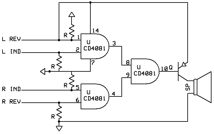
schemadeel2-new.png | 792 | 4kB | 07-03-2004 20:22:23 | Geforce |
| omschrijving: Spanningsregelaar voor Dynamo->Knipperlicht |
|||||
|
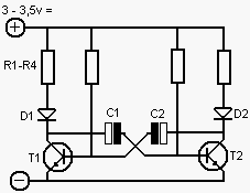
knipperlicht.png | 590 | 2kB | 07-03-2004 19:45:42 | Geforce |
| omschrijving: Dubbel knipperlicht gevoed door maximaal 3 - 3,5v |
|||||
|
sonykapot.jpg | 400 | 208kB | 07-03-2004 17:38:30 | ffeilers |
| omschrijving: beeld van een defecte sony tv |
|||||
|
schema2-dynamo.jpg | 894 | 10kB | 07-03-2004 13:58:10 | Geforce |
|
138
ms
v1.5.4
© MM 2002 - 2026
|
|

