Upload Archief |
| Hoofdpagina | Inloggen | Forum | Help |
| URL | |
| UBB | |
| HTML |
| schema's - bestand(en) | |||||
|---|---|---|---|---|---|
| bestand | dl's | grootte | datum | gebruiker | |
|
fietsled.JPG | 1646 | 17kB | 19-02-2005 15:10:19 | STARTOURS G24T |
|
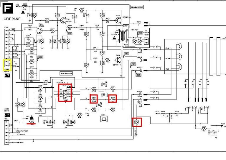
CRT-em2.JPG | 406 | 76kB | 19-02-2005 12:56:32 | wietse |
| omschrijving: CRT Panel Philips EM2 chassis |
|||||
|
RGB 2.gif | 390 | 20kB | 18-02-2005 17:37:58 | Benadski |
| omschrijving: 2e poging schema kleursensor |
|||||
|
BCD decoder.JPG | 713 | 23kB | 18-02-2005 11:10:57 | The Force |
| omschrijving: BCD decoder testschema |
|||||
|
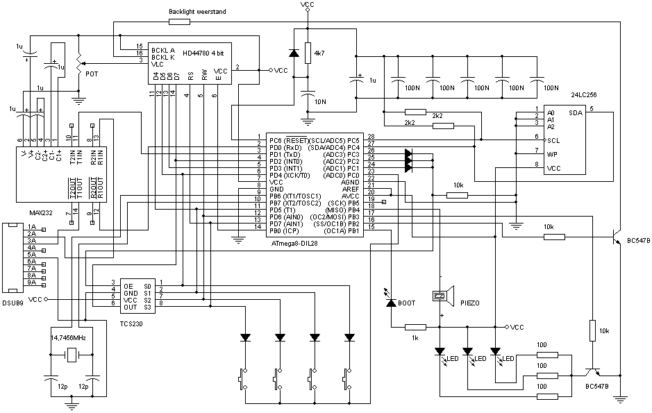
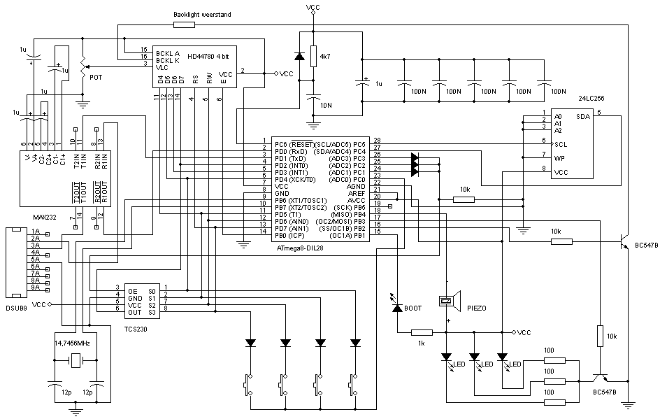
EMVANA~1.png | 394 | 10kB | 17-02-2005 23:40:57 | piet |
| omschrijving: Schema ledachtergrondverlichting |
|||||
|
1ste.jpg | 680 | 23kB | 17-02-2005 21:45:26 | x008 |
| omschrijving: fasendetectie met 3 relais:Niet volledig! |
|||||
|
audion3.png | 4054 | 9kB | 17-02-2005 21:22:39 | rd12tf |
| omschrijving: Audion + terugkoppeling Rev. C |
|||||
|
eindtrap W.jpg | 492 | 9kB | 17-02-2005 20:20:53 | ikje |
| omschrijving: fm eindtrap |
|||||
|
RGB.gif | 438 | 20kB | 17-02-2005 13:51:48 | Benadski |
| omschrijving: RGB sensor schema |
|||||
|
KG-sureg.JPG | 3168 | 47kB | 17-02-2005 13:12:15 | zweetvoetje |
| omschrijving: superregje voor dortegolf |
|||||
|
152
ms
v1.5.4
© MM 2002 - 2026
|
|

