Upload Archief |
| Hoofdpagina | Inloggen | Forum | Help |
| URL | |
| UBB | |
| HTML |
| schema's - bestand(en) | |||||
|---|---|---|---|---|---|
| bestand | dl's | grootte | datum | gebruiker | |
|
50HzIn.png | 376 | 4kB | 28-03-2005 17:56:44 | rd12tf |
|
top voeding.jpg | 421 | 149kB | 28-03-2005 17:06:30 | 240987 |
| omschrijving: componenten voeding |
|||||
|
copper top voeding.jpg | 402 | 124kB | 28-03-2005 17:03:13 | 240987 |
| omschrijving: copper top voeding |
|||||
|
copper bottem voedig.jpg | 400 | 126kB | 28-03-2005 17:01:13 | 240987 |
| omschrijving: copper bottem voeding |
|||||
|
LuxeonDrive.jpg | 587 | 75kB | 27-03-2005 21:49:37 | rd12tf |
|
buis10.JPG | 524 | 12kB | 27-03-2005 19:31:05 | Technokiddy |
|
buis9.JPG | 508 | 9kB | 27-03-2005 19:31:00 | Technokiddy |
|
Versterker Ende.jpg | 1045 | 16kB | 27-03-2005 17:57:46 | Lampie |
|
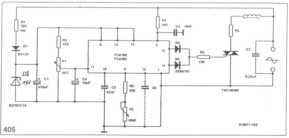
TCA780 schema.JPG | 735 | 39kB | 27-03-2005 13:41:09 | Aragorn |
| omschrijving: Schema TCA780 Siemens |
|||||
|
schema print voeding.JPG | 292 | 194kB | 27-03-2005 12:10:51 | 240987 |
| omschrijving: print voeding |
|||||
|
140
ms
v1.5.4
© MM 2002 - 2026
|
|

