Upload Archief |
| Hoofdpagina | Inloggen | Forum | Help |
| URL | |
| UBB | |
| HTML |
| schema's - bestand(en) | |||||
|---|---|---|---|---|---|
| bestand | dl's | grootte | datum | gebruiker | |
|
schema_sjoerd.JPG | 621 | 23kB | 02-04-2005 20:12:17 | halosjoerd |
| omschrijving: kleine paint tekening van wat ik van plan ben. |
|||||
|
Eindversterker Ende 3.JPG | 380 | 6kB | 01-04-2005 19:52:16 | Lampie |
|
schema_klapschakelaar.pdf | 626 | 23kB | 01-04-2005 19:35:11 | maarten vandersteegen |
| omschrijving: schema klapschakelaar |
|||||
|
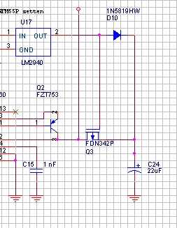
lm2940lala.jpg | 373 | 207kB | 01-04-2005 16:49:10 | justchill |
| omschrijving: schema 2 |
|||||
|
lm2940.jpg | 367 | 64kB | 01-04-2005 11:43:26 | justchill |
| omschrijving: lm2940 |
|||||
|
Eindversterker Ende 2.JPG | 477 | 15kB | 30-03-2005 22:33:36 | Lampie |
|
plcschema.JPG | 322 | 82kB | 30-03-2005 19:21:54 | Bert F |
|
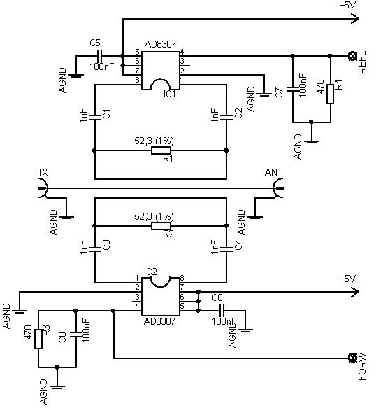
swr.jpg | 545 | 35kB | 30-03-2005 11:01:23 | float |
| omschrijving: Meeteenheid digitale SWR meter (testversie!!!) |
|||||
|
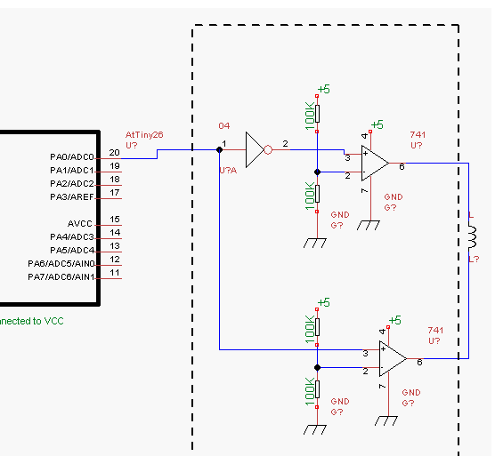
robot.png | 638 | 15kB | 29-03-2005 21:19:44 | Darkbartje |
| omschrijving: Schema aansturing stappenmotor |
|||||
|
M4100030.JPG | 1061 | 53kB | 28-03-2005 18:59:32 | djlars2k |
| omschrijving: laserpic-alc68-1 |
|||||
|
142
ms
v1.5.4
© MM 2002 - 2026
|
|

