Upload Archief |
| Hoofdpagina | Inloggen | Forum | Help |
| URL | |
| UBB | |
| HTML |
| schema's - bestand(en) | |||||
|---|---|---|---|---|---|
| bestand | dl's | grootte | datum | gebruiker | |
|
schema3.jpg | 1162 | 54kB | 16-06-2014 17:07:36 | Henk H. |
|
resized/schema3.jpg | 1616 | 7kB | 16-06-2014 17:07:38 | Henk H. |
| omschrijving: Schema van de sturing van een ultrasoonreiniger met onbekende componenten in de eindtrap. Schema is getekend door reverse engineering van de PCB en kan fouten bevatten! EDIT: Dit schema bevatte fouten, het juiste schema staat hier: http://www.uploadarchief.net/files/download/verbeterd%20schema%20sturingsprint%20ultrasoonreiniger.jpg |
|||||
|
ompool_schakeling1.jpg | 12361 | 14kB | 13-06-2014 12:29:15 | gerarardmonique |
|
schema wireless transmission v2.png | 1267 | 235kB | 11-06-2014 23:42:55 | Peter3330 |
|
schema wireless transmission.png | 471 | 121kB | 11-06-2014 23:22:02 | Peter3330 |
|
meten.png | 777 | 3kB | 06-06-2014 14:29:30 | wtt_ |
|
resized/meten.png | 278 | 5kB | 06-06-2014 14:29:30 | wtt_ |
| omschrijving: belasting met gloeilampen |
|||||
|
meting1.png | 2244 | 45kB | 06-06-2014 14:28:18 | wtt_ |
|
resized/meting1.png | 273 | 12kB | 06-06-2014 14:28:19 | wtt_ |
| omschrijving: meten aan alternator |
|||||
|
schakeling photoresistor.png | 1593 | 209kB | 05-06-2014 21:57:10 | Peter3330 |
|
lampen_bert.jpg | 937 | 22kB | 05-06-2014 20:42:57 | mgpelec |
| omschrijving: bedrading |
|||||
|
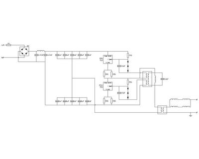
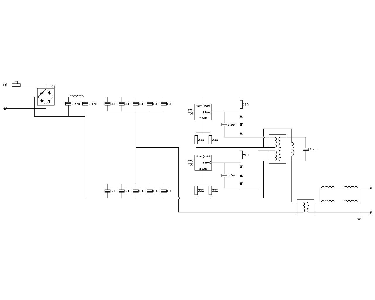
versterker mosfets 2sk3497 2sj618.pdf | 1041 | 246kB | 05-06-2014 18:56:35 | PimDriessen |
|
screenshot1433.pdf | 784 | 404kB | 05-06-2014 10:19:11 | PimDriessen |
| omschrijving: Schema A65 |
|||||
|
109
ms
v1.5.4
© MM 2002 - 2026
|
|

