Upload Archief |
| Hoofdpagina | Inloggen | Forum | Help |
| URL | |
| UBB | |
| HTML |
| schema's - bestand(en) | |||||
|---|---|---|---|---|---|
| bestand | dl's | grootte | datum | gebruiker | |
|
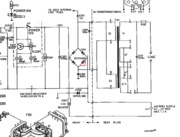
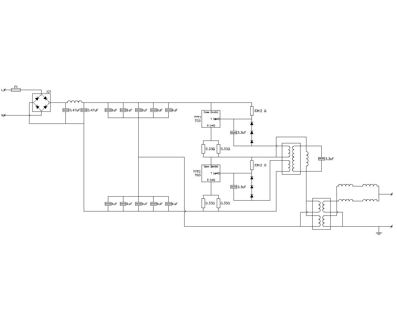
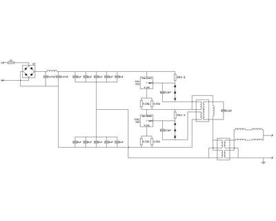
voeding_pm3215_defect.png | 1427 | 274kB | 26-06-2014 15:00:23 | steve04 |
| omschrijving: Defect voeding PM3215 |
|||||
|
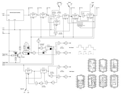
schemaregelaar.jpg | 1221 | 194kB | 25-06-2014 17:11:54 | jazy |
|
resized/schemaregelaar.jpg | 1647 | 58kB | 25-06-2014 17:11:55 | jazy |
| omschrijving: inwendig schema monkey regelaar |
|||||
|
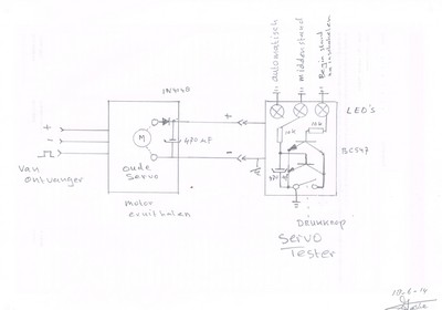
oc30.png | 1603 | 51kB | 23-06-2014 15:07:11 | sayang |
| omschrijving: OC30 amp |
|||||
|
voorbeeld lampie57.jpg | 717 | 11kB | 22-06-2014 20:17:24 | Lambiek |
|
constant current supply.png | 4795 | 6kB | 21-06-2014 20:35:22 | SparkyGSX |
| omschrijving: regelbare stroombron 0-1.5A |
|||||
|
20140620fet_dc-opteller.png | 1074 | 5kB | 20-06-2014 22:44:14 | Frederick E. Terman |
|
verbeterd schema sturingsprint ultrasoonreiniger.jpg | 1203 | 58kB | 20-06-2014 21:17:08 | Henk H. |
|
resized/verbeterd schema sturingsprint ultrasoonreiniger.jpg | 1550 | 7kB | 20-06-2014 21:17:09 | Henk H. |
| omschrijving: Schema van PCB stuurprint ultrasoonreiniger. |
|||||
|
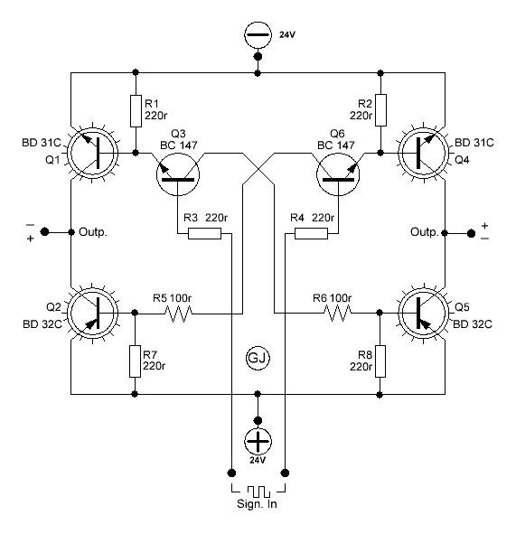
h-brug-a.jpg | 3462 | 48kB | 19-06-2014 19:18:15 | gerarardmonique |
|
moeder-klok-e2d.jpg | 1463 | 499kB | 19-06-2014 18:47:34 | gerarardmonique |
|
resized/moeder-klok-e2d.jpg | 2205 | 25kB | 19-06-2014 18:47:35 | gerarardmonique |
|
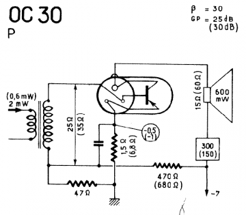
servotester wijziging 1.jpg | 520 | 364kB | 18-06-2014 11:37:27 | xxxpietxxx |
|
resized/servotester wijziging 1.jpg | 952 | 30kB | 18-06-2014 11:37:28 | xxxpietxxx |
|
125
ms
v1.5.4
© MM 2002 - 2026
|
|

