Upload Archief |
| Hoofdpagina | Inloggen | Forum | Help |
| URL | |
| UBB | |
| HTML |
| schema's - bestand(en) | |||||
|---|---|---|---|---|---|
| bestand | dl's | grootte | datum | gebruiker | |
|
ontkoppeling_condensators.jpg | 2457 | 65kB | 04-06-2008 23:34:58 | fire_IC |
| omschrijving: Ontkopelings condersators over de voedingslijnen van IC |
|||||
|
pcb large.jpg | 1458 | 344kB | 04-06-2008 20:18:43 | fire_IC |
| omschrijving: PCB voeding large |
|||||
|
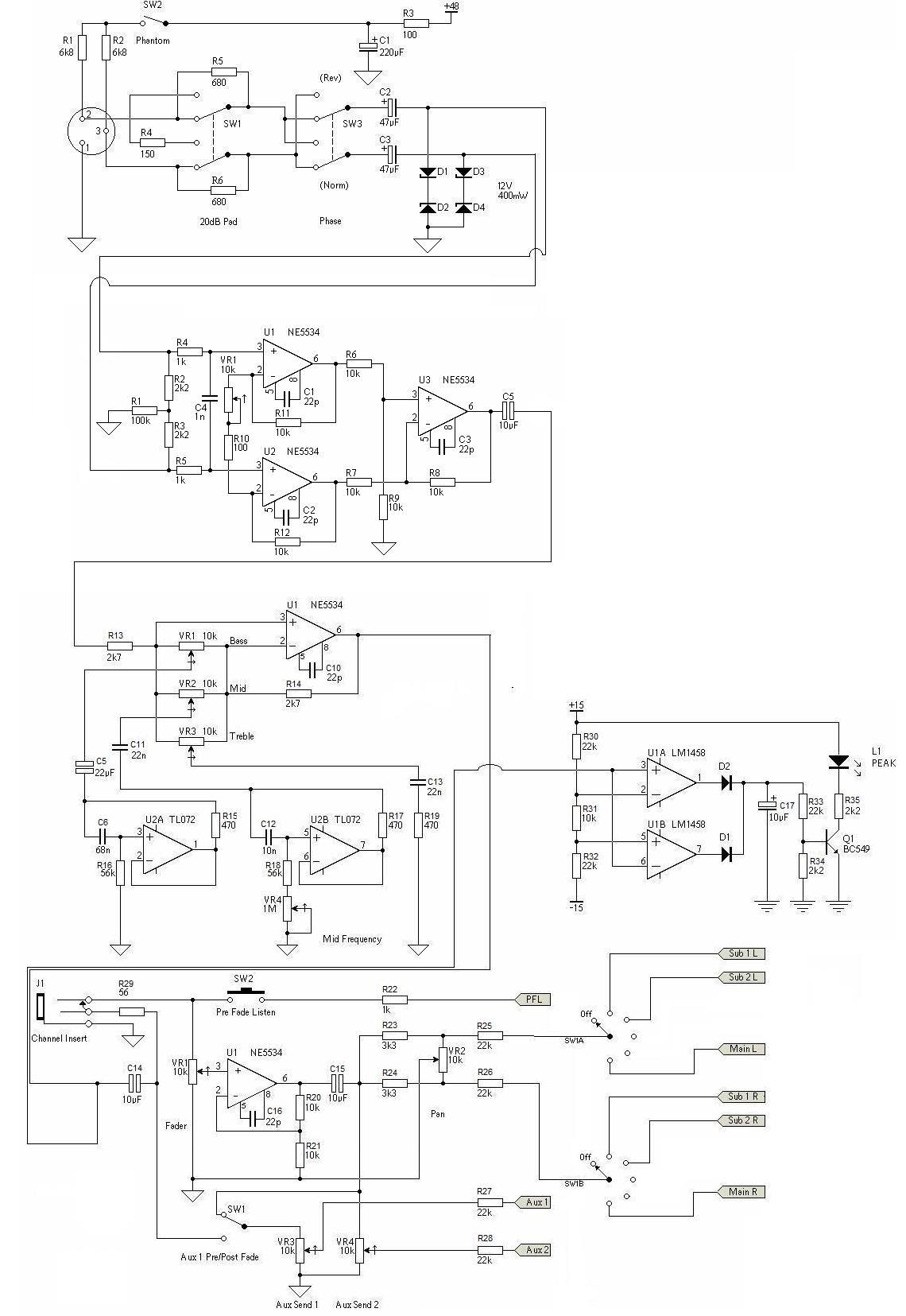
totale input gebruiken.jpg | 392 | 163kB | 04-06-2008 17:48:58 | jaap1155 |
| omschrijving: Schema input mixer |
|||||
|
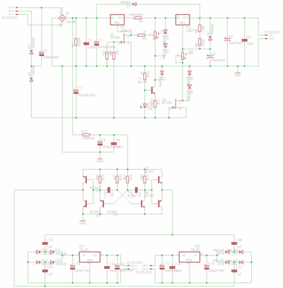
voeding_schema_v1.pdf | 1161 | 480kB | 04-06-2008 16:20:49 | fire_IC |
| omschrijving: Schema Voeding V1 5 volt 2A (tot 5A) 24 volt 1,5A |
|||||
|
voeding_pcb_ v1.pdf | 705 | 53kB | 04-06-2008 16:19:35 | fire_IC |
| omschrijving: PCB voeding v1 |
|||||
|
pcb_v01p2.jpg | 2990 | 78kB | 04-06-2008 16:07:54 | fire_IC |
| omschrijving: PCB van Voeding V1 |
|||||
|
v01p1.jpg | 3435 | 34kB | 04-06-2008 15:51:10 | fire_IC |
| omschrijving: Voeding 5v-2A en 24v-1,5A Pagina 1 |
|||||
|
cm8888.jpg | 3328 | 39kB | 03-06-2008 17:57:54 | oxurane |
| omschrijving: CM8888 aansluitschema DTMF-(de)coder. Nummermelder en beller. |
|||||
|
vraag ds89c450.jpg | 891 | 44kB | 03-06-2008 11:44:43 | gitaarstudentje |
| omschrijving: Vraagje aansluitingen om een DS89C450 te programmeren |
|||||
|
signaltracer.png | 2109 | 122kB | 03-06-2008 11:39:02 | fred101 |
| omschrijving: signaltracer uit electron mrt47 |
|||||
|
132
ms
v1.5.4
© MM 2002 - 2026
|
|

