Upload Archief |
| Hoofdpagina | Inloggen | Forum | Help |
| URL | |
| UBB | |
| HTML |
| schema's - bestand(en) | |||||
|---|---|---|---|---|---|
| bestand | dl's | grootte | datum | gebruiker | |
|
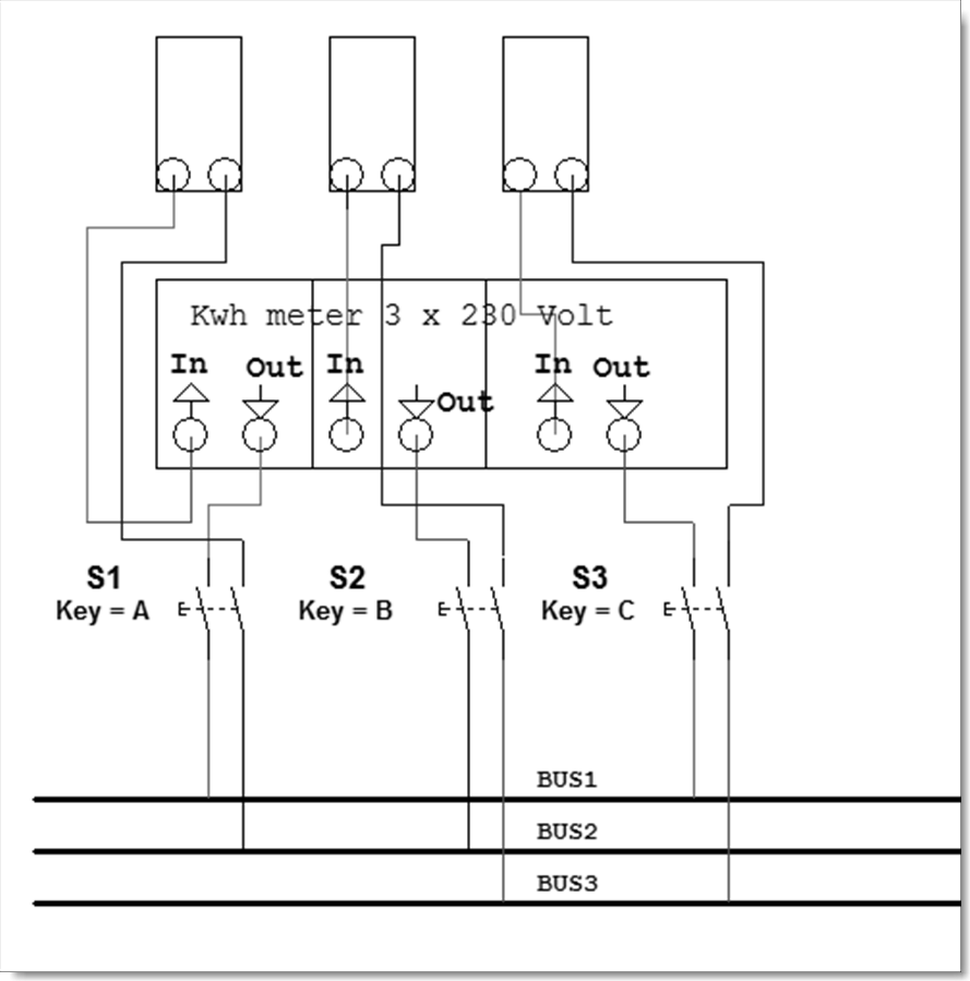
laatste kwh meter.png | 6361 | 82kB | 16-01-2010 15:48:40 | Rapperder |
| omschrijving: KWHMeter aansluiting 3 |
|||||
|
andere kwh meter aansluiting.png | 7544 | 81kB | 16-01-2010 15:46:55 | Rapperder |
| omschrijving: Aansluiting 2 |
|||||
|
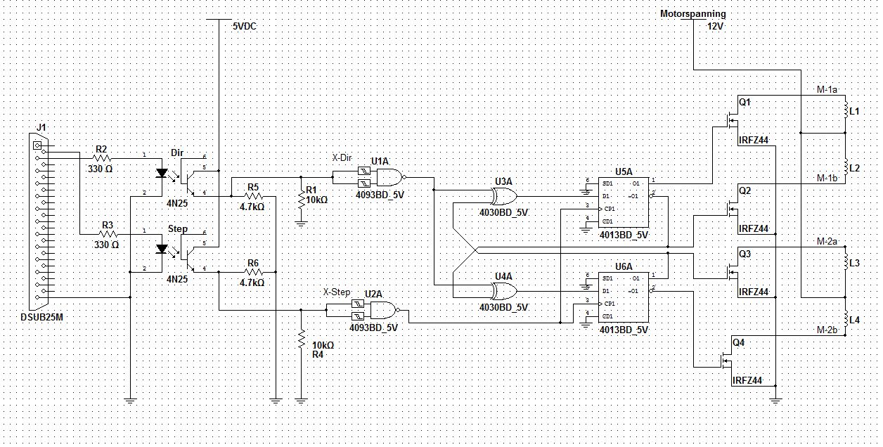
motorsturing 3.jpg | 3397 | 66kB | 16-01-2010 14:45:07 | el_b |
|
bv135_20100116.jpg | 8535 | 22kB | 16-01-2010 14:34:06 | Frederick E. Terman |
|
schema_hf_65.jpg | 1647 | 129kB | 16-01-2010 12:49:07 | arco2 |
| omschrijving: Jostkit HF65 |
|||||
|
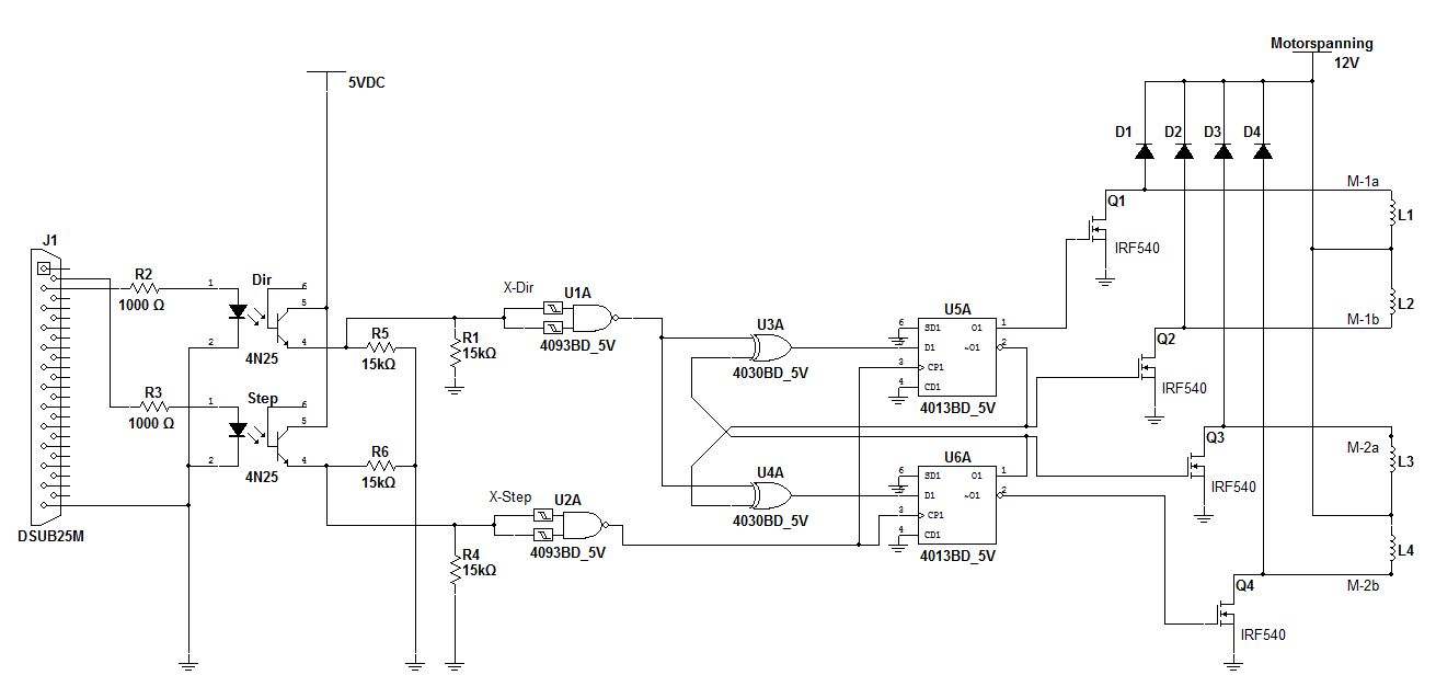
circuit motorsturing 2.jpg | 4856 | 81kB | 16-01-2010 11:19:03 | el_b |
|
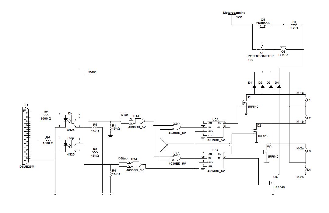
circuit motorsturing.jpg | 4279 | 299kB | 15-01-2010 21:34:28 | el_b |
| omschrijving: Schema unipolaire motorsturing door de parallelle poort |
|||||
|
schema_klok_groot.png | 1509 | 24kB | 15-01-2010 20:04:06 | eagle987 |
|
schema_klok.png | 1985 | 52kB | 15-01-2010 20:03:02 | eagle987 |
| omschrijving: schema DCF-77 klok |
|||||
|
stroombronvoorlamp.jpg | 2732 | 14kB | 15-01-2010 15:11:11 | flush |
|
205
ms
v1.5.4
© MM 2002 - 2026
|
|

