Upload Archief |
| Hoofdpagina | Inloggen | Forum | Help |
| URL | |
| UBB | |
| HTML |
| schema's - bestand(en) | |||||
|---|---|---|---|---|---|
| bestand | dl's | grootte | datum | gebruiker | |
|
vraag2.gif | 1221 | 3kB | 03-06-2010 08:15:19 | jochem |
|
vraag1.gif | 1069 | 2kB | 03-06-2010 08:15:12 | jochem |
|
mk112.gif | 320 | 12kB | 03-06-2010 08:14:57 | jochem |
|
trein wissel.png | 4244 | 12kB | 02-06-2010 12:44:17 | dubbeld7 |
| omschrijving: schema wissel |
|||||
|
triac.png | 3622 | 8kB | 01-06-2010 23:27:30 | dubbeld7 |
| omschrijving: triac test |
|||||
|
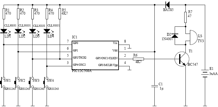
schema dmx-zender.jpg | 2519 | 40kB | 01-06-2010 22:08:15 | jan353 |
|
resized/schema dmx-zender.jpg | 384 | 24kB | 01-06-2010 22:08:28 | jan353 |
|
volume-regeling.jpg | 2720 | 12kB | 01-06-2010 20:36:50 | thevel |
|
prtnscrbandpass.jpg | 1801 | 191kB | 01-06-2010 14:20:08 | hobbyelektro |
| omschrijving: bandpass curve |
|||||
|
rdt-pow.png | 1002 | 9kB | 01-06-2010 07:54:42 | rd12tf |
| omschrijving: Miniwhip fantoom voeding. |
|||||
|
volume schakkeling.jpg | 799 | 17kB | 01-06-2010 00:01:45 | coaster102 |
|
131
ms
v1.5.4
© MM 2002 - 2026
|
|

