Upload Archief |
| Hoofdpagina | Inloggen | Forum | Help |
| URL | |
| UBB | |
| HTML |
| schema's - bestand(en) | |||||
|---|---|---|---|---|---|
| bestand | dl's | grootte | datum | gebruiker | |
|
wisselmetovername.png | 23271 | 6kB | 09-06-2010 13:26:55 | Progger |
| omschrijving: wisselrelais met overnamecontact |
|||||
|
npn_vs_pnp_2.1.gif | 1078 | 3kB | 09-06-2010 13:25:49 | oxurane |
| omschrijving: NPN vervangen door PNP (aangepast schema van V2). |
|||||
|
npn_vs_pnp_1.1.gif | 1165 | 2kB | 09-06-2010 13:16:17 | oxurane |
| omschrijving: NPN vervangen door PNP (voorstel rew). |
|||||
|
schema 12volt.png | 6638 | 6kB | 09-06-2010 13:11:05 | bramsky |
| omschrijving: schema voorbeeld |
|||||
|
npn_vs_pnp_2.gif | 1097 | 3kB | 09-06-2010 13:10:05 | oxurane |
| omschrijving: NPN vervangen door PNP, 2e schema. |
|||||
|
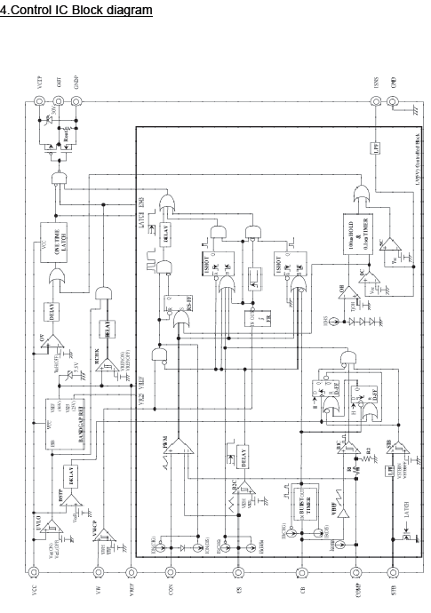
f9223l schema.png | 5423 | 73kB | 09-06-2010 12:09:44 | zeha |
| omschrijving: Schema F9223L met spanning voor samsung syncmaster 245B |
|||||
|
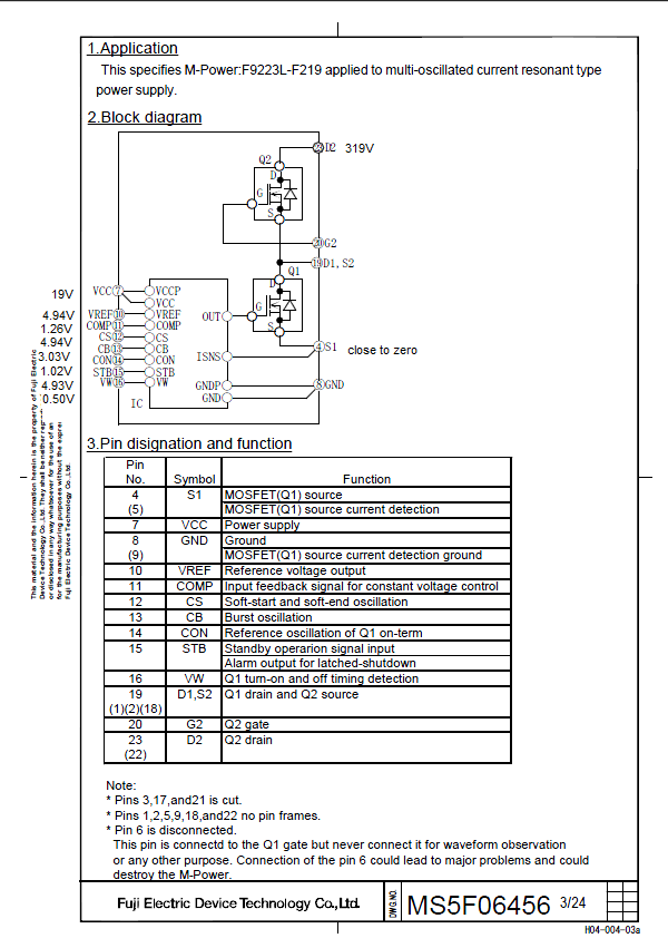
f9223l.png | 5909 | 72kB | 09-06-2010 11:44:47 | zeha |
| omschrijving: blokdiagram F9223L |
|||||
|
npn_vs_pnp.gif | 5092 | 3kB | 09-06-2010 01:13:16 | oxurane |
| omschrijving: NPN vervangen door PNP ? Zie : http://www.circuitsonline.net/forum/view/85303 |
|||||
|
fnfdijgdigngdf.jpg | 656 | 117kB | 08-06-2010 21:50:22 | Reamonrdv |
| omschrijving: schema |
|||||
|
schema_tesla.png | 3347 | 35kB | 06-06-2010 20:46:02 | pientertje |
|
resized/schema_tesla.png | 3703 | 28kB | 06-06-2010 20:46:32 | pientertje |
|
77
ms
v1.5.4
© MM 2002 - 2026
|
|

