Upload Archief |
| Hoofdpagina | Inloggen | Forum | Help |
| URL | |
| UBB | |
| HTML |
| schema's - bestand(en) | |||||
|---|---|---|---|---|---|
| bestand | dl's | grootte | datum | gebruiker | |
|
psu_c_v1.jpg | 783 | 28kB | 27-06-2010 15:08:50 | Allround |
|
resized/psu_c_v1.jpg | 675 | 5kB | 27-06-2010 15:09:03 | Allround |
|
135-c85e443ae8.gif | 21264 | 20kB | 27-06-2010 12:34:43 | dawmast |
| omschrijving: Hoogfrequent voorversterker in cascode schakeling. |
|||||
|
pwm_to_analog.gif | 3825 | 4kB | 26-06-2010 21:13:40 | Nieko |
| omschrijving: PWM naar analoog |
|||||
|
naamloosrfgag.png | 4394 | 53kB | 26-06-2010 11:20:01 | brandon |
|
transformator1_20100625fet.png | 1225 | 6kB | 25-06-2010 10:54:16 | Frederick E. Terman |
|
topdetector.png | 771 | 46kB | 25-06-2010 09:00:40 | steve04 |
| omschrijving: Topdetector |
|||||
|
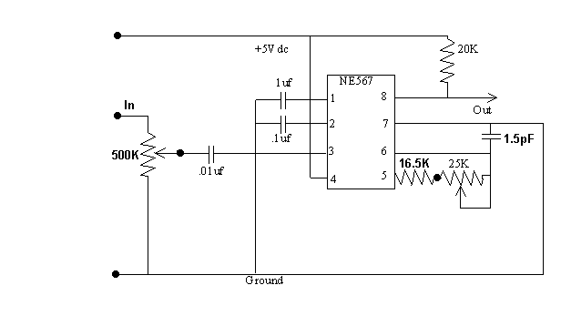
tonedet2.png | 1304 | 2kB | 24-06-2010 23:50:00 | noone |
| omschrijving: toondecoder ne567 op 30khz |
|||||
|
schema motor.pdf | 692 | 170kB | 24-06-2010 16:44:28 | deskjet |
| omschrijving: motoraansluitingen |
|||||
|
dubbelroosterlamp_20100623fet.png | 1820 | 103kB | 23-06-2010 15:52:45 | Frederick E. Terman |
|
noodstroom.jpg | 2227 | 48kB | 23-06-2010 04:07:02 | suri-charlie |
| omschrijving: noodstroomvoorziening. |
|||||
|
129
ms
v1.5.4
© MM 2002 - 2026
|
|

