Upload Archief |
| Hoofdpagina | Inloggen | Forum | Help |
| URL | |
| UBB | |
| HTML |
| schema's - bestand(en) | |||||
|---|---|---|---|---|---|
| bestand | dl's | grootte | datum | gebruiker | |
|
northon en thevenin.jpg | 879 | 230kB | 11-08-2010 09:00:09 | hornet |
| omschrijving: Schakeling Northon en thevenin |
|||||
|
atlantis regen.gif | 2687 | 9kB | 10-08-2010 20:38:35 | dawmast |
| omschrijving: Schema Atlantis Regen |
|||||
|
schema_versterker.jpg | 2813 | 19kB | 10-08-2010 20:35:22 | pientertje |
|
generator test.jpg | 1454 | 493kB | 10-08-2010 20:28:30 | TYPE ONE |
| omschrijving: generator test |
|||||
|
generator b.jpg | 1697 | 482kB | 10-08-2010 06:53:45 | TYPE ONE |
| omschrijving: generator 6,5kva 230V 400V |
|||||
|
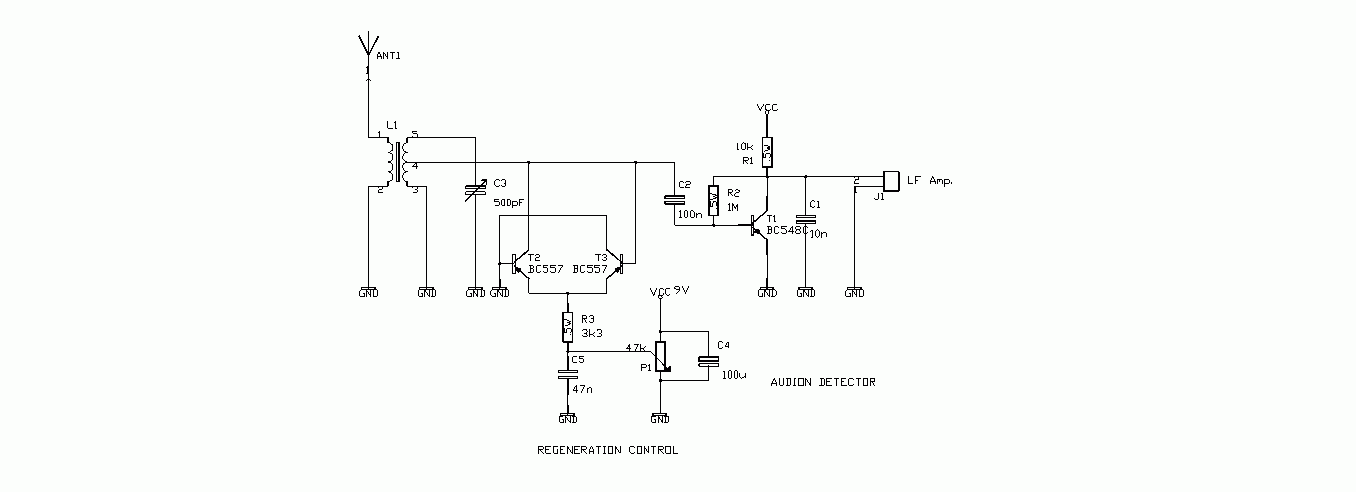
audion with q-multiplier.gif | 8679 | 7kB | 08-08-2010 18:38:53 | dawmast |
| omschrijving: Audion met aparte Q-multiplier. |
|||||
|
problemencnc_a.jpg | 821 | 25kB | 08-08-2010 15:32:21 | thejackel |
|
kaboem_naamloos.jpg | 918 | 76kB | 07-08-2010 22:33:25 | fire_IC |
|
resized/kaboem_naamloos.jpg | 1111 | 12kB | 07-08-2010 22:33:28 | fire_IC |
|
yamaha kanaal a dc_meting [1024x768].jpg | 1624 | 458kB | 07-08-2010 19:37:49 | Electrofreak |
| omschrijving: Schema met gemeten DC waardes op kanaal A van Yamaha P2100 |
|||||
|
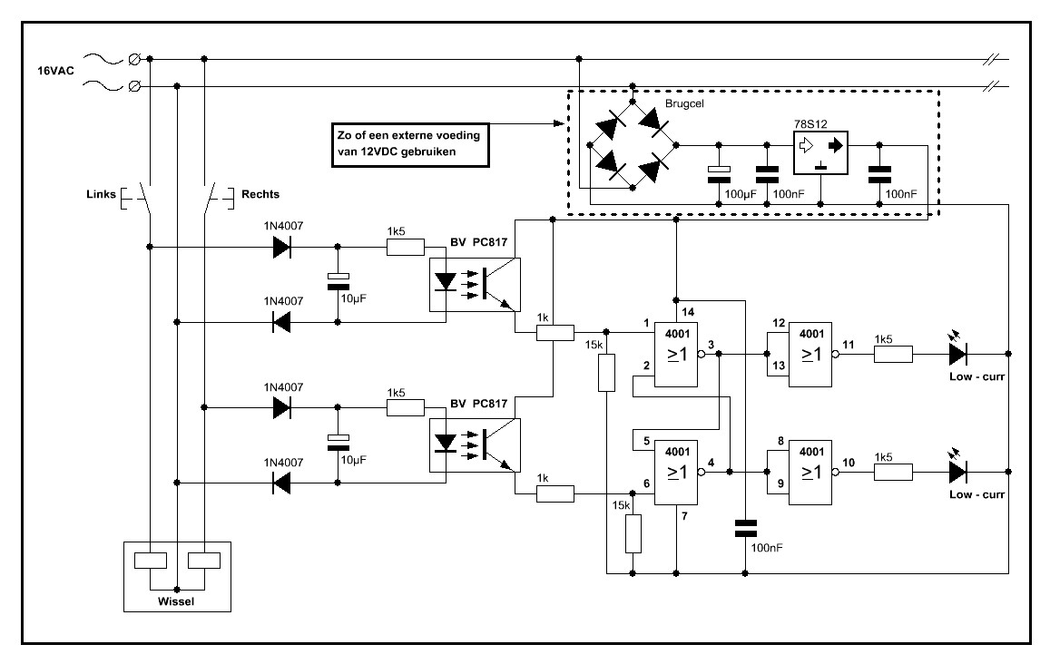
voorbeeld - wissel.jpg | 6910 | 113kB | 07-08-2010 16:33:21 | Lambiek |
|
resized/voorbeeld - wissel.jpg | 701 | 2kB | 07-08-2010 16:33:29 | Lambiek |
| omschrijving: Voorbeeld - wissel |
|||||
|
130
ms
v1.5.4
© MM 2002 - 2026
|
|

